




计量范围:0-280L/H
压力范围:0-0.8MPa
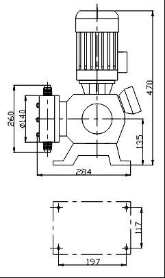
驱动方式:电机驱动
控制方式:手动、自动控制(可接收4-20mA信号来调节流量)
1、铸铝壳体,散热性能高,整体重量轻,适用各种酸碱药液,无毒无味。
2、采用凸轮机构.整体上完全无泄露,可安置于药槽或管道上。
3、接触介质泵头为PVC、可选PTFE、及不锈钢材质。
4、性价比高,普遍适用于,压力要求不高的水处理行业。
5、在泵运行或停止时也可任意调节流量也可定量输出。
6、隔膜为多层复合结构压制而成,层超韧性Teflon耐酸薄膜,第二层EPDM弹性橡胶,第三层厚度3.mm SUS304支撑铁芯,第四层采用强化尼龙纤维补强,第五采用EPDM弹性橡胶完全包履,可有效提升隔膜使用寿命。
|
泵头部材质 |
工作条件 |
|---|---|
|
计量泵头: 聚氯乙烯、SUS304、SUS316、聚四氟乙烯 |
环境温度: -30℃--- 90℃ |
|
计量阀: 聚氯乙烯、SUS304、SUS316、聚四氟乙烯 |
电机: 二相、三相标准电机或防爆电机 |
|
阀球: 二氧化硅、SUS304、SUS316、陶瓷 |
功率:0.25KW 0.37KW 0.55KW |
|
密封: 聚四氟乙烯、聚氯乙烯 |
防护等级:IP55 |

|
型号 |
流量 |
压力(Mpa) |
冲次(MIN-1) |
进出口径 |
重量(KG) |
|---|---|---|---|---|---|
|
JMX-50/0.6 |
50 |
0.6 |
48 |
DN15 |
18 |
|
JMX-80/0.6 |
80 |
0.6 |
48 |
DN15 |
|
|
JMX-120/0.5 |
120 |
0.5 |
72 |
DN15 |
|
|
JMX-160/0.5 |
160 |
0.5 |
96 |
DN15 |
|
|
JMX-200/0.4 |
200 |
0.4 |
144 |
DN15 |
|
|
JMX-240/0.4 |
240 |
0.4 |
144 |
DN15 |