


			
			概述:
			    2BV系列真空泵是在我国传统水环真空泵的基础上,采用新技术开发的升级换代产品。它采用机泵同轴直联式设计,可靠性高,易于安装和维护,比传统真空泵体积少30%。它运行平稳、噪音低于62分贝,具有自吸能力,便于操作。因采用了无油设计,使它基本上免于维护,因为采用了机械密封从而消除了泄漏。该泵配的气水分离器50%的工作液可循环使用,减少了污染,降低了运行成本。该泵采用青铜叶轮,提高了泵的耐腐蚀性。根据用户要求,采用不锈钢材质,泵会在恶劣的环境下正常运转。因而广泛适用于化工、医药、食品、造纸、钢铁等行业。
			
			2BV水环式真空泵的用途及使用范围:
			   2BV系列水环真空泵为整体结构—机泵同轴的单级泵。轴封采用机械密封,具有结构简单,安装简捷、无油、安全可靠等特点。
			     2BV系列水环真空泵适于抽除气体和湿润蒸汽,吸气压力可达到33mbar绝压(97%真空度),当2BV水环式真空泵在吸气压力低于80mbar的状态下长期工作时,应联接汽蚀保护管以对泵进行保护,2BV水环式真空泵如配大气喷射器吸气压力可达10mbar,喷射器可直接安装在真空泵吸气口上,作为压缩机使用时,其压力大至0.26MPa(绝压)。
			   2BV系列水环真空泵及压缩机被广泛用于石油、化工、制药、食品、制糖工业等领域。由于在工作过程中,气体的压缩过程是等温的,所以在压缩和抽吸易燃易爆气体时,不易发生爆炸,所以其应用更加广泛。
			2BV水环式真空泵的工作原理:
			   2BV水环式真空泵如图(1)所示叶轮3偏心地安装在泵体之内,起动时向泵内注入一定高度的水,因此当叶轮3旋转时,水受离心力的作用而在泵体内壁形成一旋转水环1,水环下部内表面与轮毂相切,沿箭头方向旋转,在前半转过程中,2BV水环式真空泵水环内表面逐渐与轮毂脱离,因此在叶轮叶片间与水环形成封闭空间,随着叶轮的旋转,该空间逐渐扩大,空间气体压力降低,气体自圆盘吸气口被吸入;在后半转过程中,水环内表面逐渐与轮毂靠近,叶片间的空间逐渐缩小,空间气体压力升高,高于排气口压力时,叶片间的气体自圆盘排气口被排出。如此叶轮每转动一周,叶片间的空间吸排气一次,许多空间不停地工作,2BV水环式真空泵就连续不断地抽吸或压送气体。
			   2BV水环式真空泵由于在工作过程中,做功产生热量,会使工作水环发热,同时一部分水和气体一起被排周,因此,在工作过程中,必须不断地给泵供水,以冷却和补充泵内消耗的水,满足泵的工作要求。
			   当2BV水环式真空泵排出的气体不再利用时,在2BV水环式真空泵排气口上接有气水分离器,废气和所带的部分水排入气水分离器后,气水分离,气体由排气管排出,留下的水经回水管供至泵内继续使用。随着工作时间的延长,工作水温度会不断地升高,这时需从供水管供给冷水,以降低工作水的温度,保证泵能达到所要求的技术要求和性能指标。
			
| 1、水环。2、泵盖。3、叶轮。4、吸气口。5、排气口 | 
| 
							图1 水环真空泵及压缩机工作原理图 | 
			
			 当2BV水环式真空泵作为压缩机使用时,泵排气口接有气水分离器,气水混合物进入气水分离器后自动分,气体由排气管输送到所需系统而工作水经过分离器进入2BV水环式真空泵内。压缩气体时,工作水极易热,水由泵排气口排出,温度会变的较高,要由供水管不断地供给冷水.以补充被放走的水,同时起冷却作用,使工作水温度不致过高,从而保证压缩机性能,达能技术指标,满工艺要求。
| 
							产品型号 | 
							极限压力 
							Mbar(Pa) | 
							大气量 
							M3/min | 
							功 率 
							KW | 
							转 速 
							Rpm | 
							水耗量 
							L/min | 
							噪 声 
							dB(A) | 
							重 量 
							Kg | 
|---|---|---|---|---|---|---|---|
| 
							2060 | 
							33(3300) | 
							0.45 | 
							1.1 | 
							2880 | 
							~2 | 
							62 | 
							20 | 
| 
							2061 | 
							33(3300) | 
							0.87 | 
							1.5 | 
							2880 | 
							~2 | 
							65 | 
							22 | 
| 
							2070 | 
							33(3300) | 
							1.33 | 
							2.35 | 
							2880 | 
							~2.5 | 
							66 | 
							31 | 
| 
							2071 | 
							33(3300) | 
							1.83 | 
							3.85 | 
							2880 | 
							~4.2 | 
							72 | 
							42 | 
| 
							5110 | 
							33(3300) | 
							2.75 | 
							4 | 
							1450 | 
							~7 | 
							63 | 
							78 | 
| 
							5111 | 
							33(3300) | 
							3.83 | 
							5.5 | 
							1450 | 
							~8.5 | 
							68 | 
							100 | 
| 
							5121 | 
							33(3300) | 
							4.68 | 
							7.5 | 
							1450 | 
							~10 | 
							69 | 
							145 | 
| 
							5131 | 
							33(3300) | 
							6.68 | 
							11 | 
							1450 | 
							~15 | 
							73 | 
							165 | 
| 
							5161 | 
							33(3300) | 
							8.3 | 
							15 | 
							970 | 
							~20 | 
							74 | 
							252 | 
| 
							6110 | 
							33(3300) | 
							2.75 | 
							4 | 
							1450 | 
							~7 | 
							63 | 
							107 | 
| 
							6111 | 
							33(3300) | 
							3.83 | 
							5.5 | 
							1450 | 
							~8.5 | 
							68 | 
							142 | 
| 
							6121 | 
							33(3300) | 
							4.68 | 
							7.5 | 
							1450 | 
							~10 | 
							69 | 
							198 | 
| 
							6131 | 
							33(3300) | 
							6.68 | 
							11 | 
							1450 | 
							~15 | 
							73 | 
							238 | 
| 
							6161 | 
							33(3300) | 
							8.3 | 
							15 | 
							970 | 
							~20 | 
							74 | 
							350 | 
			  注:1、表中所列数据在下列技术条件下测出:
			     ① 大气压力101325Pa(1013mbar)
			     ② 进水温度15℃
			     ③ 吸入空气温度20℃
			     ④ 空气相对湿度70%
			     2、 性能允许偏差±10%
			 
 
 
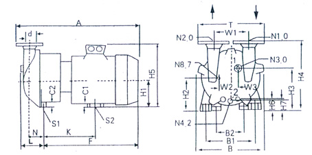
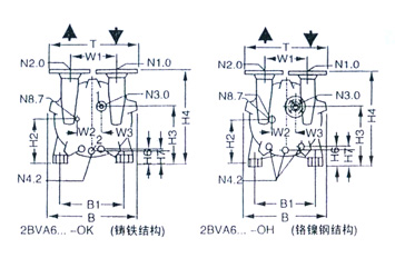
| 型号 | A | B | B1 | H1 | H2 | H3 | H4 | H6 | E | P2 | P3 | R | M | S2 | W1 | W2 | W3 | d | N3.0 | N4.2 | N8.7 | 
|---|---|---|---|---|---|---|---|---|---|---|---|---|---|---|---|---|---|---|---|---|---|
| 2060 | 455 | 186 | 140 | 90 | 118 | 126 | 195 | 37.5 | 100 | 250 | 180 | 217 | 244 | Φ10 | 110 | 26 | 21 | G1″ | G3/8″ | G1/4″ | G3/8″ | 
| 2061 | 476 | 186 | 140 | 90 | 118 | 195 | 195 | 37.5 | 100 | 250 | 180 | 236 | 263 | Φ10 | 110 | 26 | 21 | G1″ | G3/8″ | G1/4″ | G3/8″ | 
| 2070 | 545 | 223 | 160 | 222 | 100 | 128 | 222 | 33 | 140 | 270 | 203 | 252 | 280 | Φ12 | 110 | 33 | 27 | G1″ | G3/8″ | G1/4″ | G3/8″ | 
| 2071 | 566 | 223 | 234 | 140 | 112 | 140 | 234 | 45 | 190 | 300 | 225 | 278 | 309 | Φ12 | 110 | 33 | 37 | G1″ | G3/8″ | G1/4″ | G3/8″ | 


| 型号 | A | B | B1 | B2 | C1 | C2 | H1 | H2 | H3 | H4 | H5 | H6 | H7 | F | K | L | N | T | S1 | S2 | d1 | d2 | d3 | d4 | d5 | W1 | 
|---|---|---|---|---|---|---|---|---|---|---|---|---|---|---|---|---|---|---|---|---|---|---|---|---|---|---|
| 5110 | 637 | 325 | 255 | 190 | 41 | 26 | 140 | 156 | 202 | 361 | 328 | 38 | 57 | 464 | 320 | 130 | 92 | 340 | Φ12 | Φ12 | 19 | 160 | 123 | 97 | 52 | 180 | 
| 5111 | 672 | 325 | 265 | 290 | 38 | 26 | 150 | 166 | 212 | 371 | 363 | 48 | 68 | 500 | 325 | 130 | 92 | 340 | Φ12 | Φ12 | 19 | 160 | 123 | 97 | 52 | 180 | 
| 5121 | 771 | 347 | 265 | 290 | 36 | 26 | 150 | 167 | 217 | 385 | 363 | 39 | 60 | 584 | 410 | 147 | 97 | 382 | Φ12 | Φ12 | 19 | 182 | 142 | 113 | 67 | 200 | 
| 5131 | 840 | 377 | 300 | 335 | 35 | 30 | 175 | 194 | 249 | 427 | 435 | 53 | 76 | 659 | 440 | 147 | 103 | 382 | Φ12 | Φ12 | 19 | 182 | 142 | 113 | 67 | 200 | 
| 5161 | 1044 | 479 | 370 | 389 | 52 | 30 | 210 | 225 | 303 | 521 | 485 | 51 | 80 | 808 | 570 | 201 | 138 | 450 | Φ15 | Φ15 | 22 | 200 | 156 | 130 | 80 | 250 | 


| 型号 | Amax | B | B1 | C1 | F1 | F2max | H1 | H2 | H3 | H4 | H6 | H7 | K | L | N | 
|---|---|---|---|---|---|---|---|---|---|---|---|---|---|---|---|
| 6110-H..0 | 1097 | 330 | 255 | 26 | 291 | 446 | 160 | 173 | 223 | 381 | 58 | 77 | 319 | 319 | 281 | 
| 6110-K..0 | 1190 | 330 | 255 | 26 | 291 | 540 | 160 | 173 | 223 | 381 | 58 | 77 | 319 | 319 | 281 | 
| 6111-K..0 | 1291 | 330 | 279 | 26 | 360 | 500 | 180 | 196 | 242 | 401 | 78 | 97 | 349 | 349 | 311 | 
| 6121-K..0 | 1332 | 351 | 279 | 26 | 361 | 540 | 180 | 197 | 247 | 415 | 69 | 90 | 384 | 384 | 340 | 
| 6131-K..0 | 1525 | 382 | 320 | 26 | 461 | 615 | 215 | 234 | 287 | 467 | 93 | 116 | 405 | 405 | 353 | 
| 6161-K..0 | 1680 | 484 | 320 | 26 | 461 | 705 | 230 | 230 | 310 | 526 | 56 | 85 | 477 | 477 | 413 | 
			2BV水环式真空泵的启动及停车
			   1、水环真空泵启动
			   水环真空泵长期停车的泵在开动以前,必须用手转动数圈,以证实水环真空泵内没有卡住或其它损坏现象。
			   水环真空泵启动按以下顺序进行(参见图5)
			   (1)打开排气管阀门。
			   (2)启动电动机(应注意电机的正反转)
			   (3)迅速打开图5供水管2。逐渐增加供水量,至供水量符合规定要求为止,(应注意不要干运行真空泵)。
			   2、水环真空泵停车
			   水环真空泵停车按以下顺序:
			   (1)(如进气管有阀门)关闭进气管上的阀门。
			   (2)关闭供水管2,并迅速关停真空泵。
			   (3)停车后应将泵腔内的水放掉,以免再次启动时,会造成叶片与泵轴断裂。
			2BV水环式真空泵的维护
			   1、2BV型水环式真空泵为避免磨损叶轮、泵体或卡住叶轮,随气体和工作液进入泵腔的灰尘颗粒,可通过2BV型水环式真空泵泵底部的冲洗口冲洗掉。
			   2、如果用硬水作工作液,须经软化,或在一定周期内用溶液清洗泵。
			   3、2BV型水环式真空泵电动机常工作的轴承比周围温度高15℃~20℃,高不允许超过55℃~60℃,正常工作的轴承每年应装油1-2次,每年至少清洗轴承一次,并将润滑油全部更换。
			   4、2BV型水环式真空泵采用的机械密封,出现泄漏现象,应检查机械密封的动、静环是否已损坏,或是密封圈已老化,如出现上述情况,均需更换新零件。
2BV水环式真空泵的故障和消除方法
| 2BV型水环式真空泵故障现象 | 2BV型水环式真空泵可能原因 | 2BV型水环式真空泵排除方法 | 
| 2BV真空泵电机不起动;无声音 | 两根电源线断裂 | 检查接线 | 
| 电机不起动;有嗡嗡声 | 一根接线断,电机转子堵转 叶轮故障 电机轴承故障 | 必要时排空清洁泵,修正叶轮间隙 换叶轮 换轴承 | 
| 电机开动时,电流断路器跳闸 | 绕组短路 电机过载 排气压力过高 工作液过多 | 检查电机绕组 降低工作液流量 降低排气压力 减少工作液 | 
| 消耗功率过高 | 产生沉淀 | 清洁、除掉沉淀 | 
| 2BV真空泵不产生真空 | 无工作液 系统泄漏严重 旋转方向错 | 检查工作液 修复泄漏处 更换两根导线改变旋转方向 | 
| 2BV真空泵真空度太低 | 泵太小 工作液流量太小 工作液温度过高(<15℃) 磨蚀 系统轻度泄漏 密封泄漏 | 用大一点的泵 加大工作液流量 冷却工作液,加大流量 更换零件 修复泄漏处 检查密封 | 
| 2BV真空泵尖锐噪声 | 产生气蚀 工作液流量过高 | 联接气体蚀保护件 检查工作液,降低流量 | 
| 2BV真空泵泄漏 | 密封垫坏 | 检查所有密封面 |